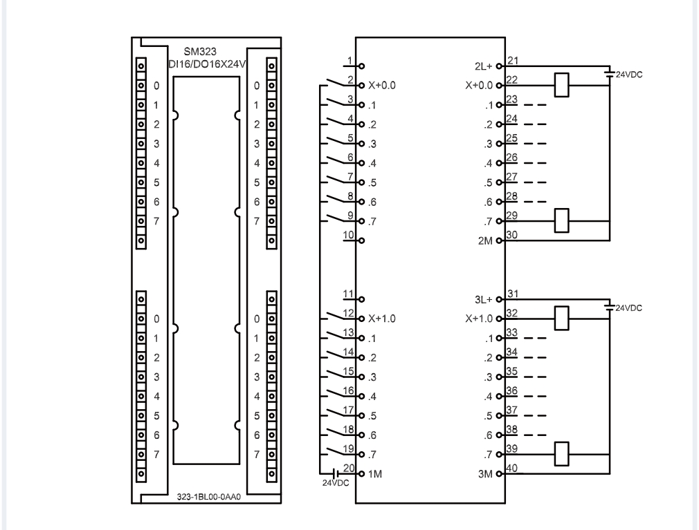
Model no
SM323 16DI/16DOArticle No
H7 323-1BL00-0AA0Description
16-digital input /16-digital output, 24VDCDimensions WxHxD(mm)
40x125x117| Specification parameters | Model No. |
SM323 16DI/16DO |
| Article No. | H7 323-1BL00-0AA0 | |
| Description | 16-digital input /16-digital output, 24VDC |
| Conventional |
Dimensions W x H x D |
40x125x117mm |
| Power Consumption | Typical value 6.5W | |
| Backplane bus current | 35mA | |
| supply voltage | DC24V | |
| Front connector | 40-pin |
| Digital input | Number of Inputs | 16 |
| Input Type | Sinking type | |
| Input Voltage | ||
| Rated Value | 24 VDC | |
| Signal "0" | - 30 V to +5 V | |
| Signal "1" | 13V to 30V | |
| Input Current | Typical value 7 mA | |
| Input Delay | ||
| ."0" to "1" transition | 1.2ms-4.8ms | |
| ."1" to "0" transition | 1.2ms-4.8ms | |
| Electrical isolation | ||
| Between channel group | Support | |
| Counting each group between channels | 16 | |
| Between channel and backplane | Support | |
| Encoder | ||
| 2-wire system sensor | Support | |
| Allowable static current | Max. 1.5mA |
| Digital Output | Number of Outputs | 16 |
| Output short circuit protection | Support, electronic type | |
| Output delay | ||
| ."0" to "1" transition | max.100us | |
| ."1" to "0" transition | max.500us | |
| Electrical isolation | ||
| Between channel group | Support | |
| Counting each group between channels | 8 | |
| Between channel and backplane | Support |
